- Artikel-Nr.: T2023071044147
- EAN-Nr.: 4015471123024
- Hersteller Artikel-Nr.: 5,40068E+12
- Hersteller: SIMONSWERK
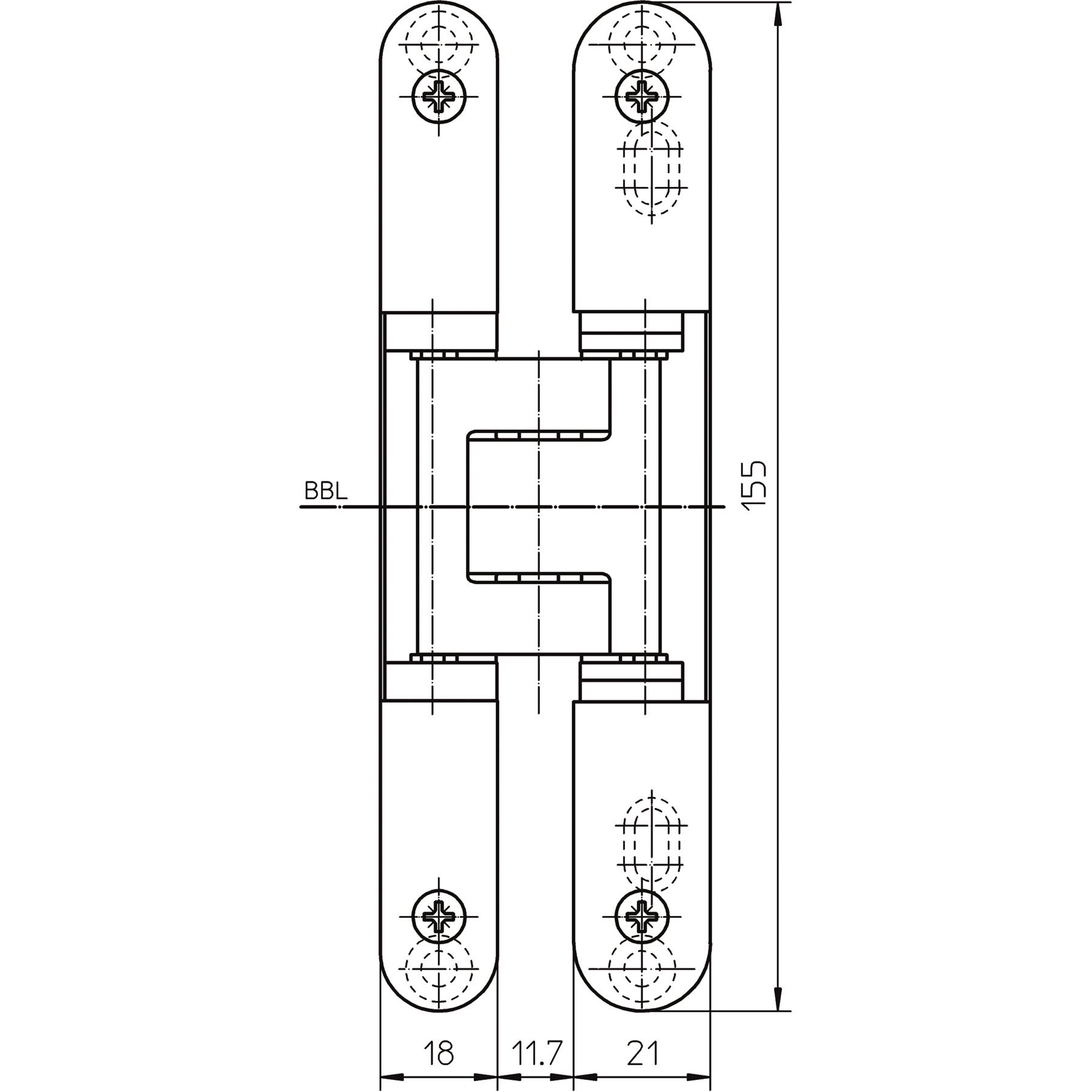
Das TECTUS TE 240 3D N Band in der Ausführung Edelstahl-Look ist ein verdeckt liegendes Türband für stumpf einschlagende Türen. Es ermöglicht eine flächenbündige Optik und eignet sich für hochwertige Innen- und Objekttüren.
Vorteile auf einen Blick
Das Band bietet zahlreiche Vorteile für den modernen Türbau.
- Verdeckt liegende Montage für ein elegantes Erscheinungsbild
- Dreidimensional justierbar für präzise Ausrichtung
- Wartungsfreies Gleitlager
- Hohe Belastbarkeit bis ca. 80 kg (laut Hersteller)
Technische Daten
Die wichtigsten Merkmale des TECTUS TE 240 3D N Bands im Überblick:
- Länge: ca. 155 mm
- Oberfläche: Edelstahl-Look
- Dreidimensional verstellbar (Höhe, Seite, Andruck)
- Geeignet für stumpf einschlagende Türen mit Holzzargen oder Stahlzargen
- Maximale Tragkraft: bis zu ca. 80 kg je nach Ausführung und Türblatt
Einsatzbereiche
Das Band findet Anwendung im gehobenen Innenausbau, in öffentlichen Gebäuden, Büros sowie im privaten Wohnbereich. Es richtet sich an Handwerksbetriebe, Architekturbüros, Bauträger und qualifizierte Heimwerker.
Lieferumfang
- 1 Stück Simonswerk TECTUS TE 240 3D N Band in Edelstahl-Look
- Befestigungsmaterial (je nach Ausführung)
- Montageanleitung (sofern vom Hersteller vorgesehen)
FAQ
Ist das Band für links- und rechts angeschlagene Türen geeignet?
Ja, das TECTUS TE 240 3D N ist universell einsetzbar.
Können Anpassungen an der Tür vorgenommen werden?
Das Band ist dreidimensional verstellbar und ermöglicht eine exakte Justierung.
Eignet sich das Produkt auch für schwere Türen?
Laut Hersteller beträgt die maximale Tragkraft bis zu ca. 80 kg pro Bandpaar.
Muss das Band gewartet werden?
Das integrierte Gleitlager ist wartungsfrei ausgelegt.
Sind verschiedene Oberflächen erhältlich?
Je nach Ausführung sind weitere Oberflächenvarianten verfügbar.
Hinweis: Alle Angaben ohne Gewähr.
Simonswerk GmbH
Bosfelder Weg 5
33378 Rheda-Wiedenbrück
DE
05242/4130
mail@simonswerk.de